Rev Up Success with our 24V Starter Wiring Diagram – Ignite Precision Power!

Rev Up Success with our 24V Starter Wiring Diagram – Ignite Precision Power!

  1. Introduction to 24V Starter Systems
  2. Key Components in the Wiring Diagram
  3. Understanding Voltage Requirements
  4. Role of Solenoids in Starter Circuits
  5. Importance of Proper Grounding
  6. Sequential Steps in the Starting Process
  7. Diagnostic Tips for Troubleshooting
  8. Ensuring Safety in Wiring Practices
  9. Optimizing Performance with Quality Materials
  10. Integration with Vehicle Electronics

"Unlock seamless ignition mastery with our expertly crafted 24V starter wiring diagram. Elevate your understanding for flawless starts and optimize your system with precision guidance."

Top 10 important point for #EANF#

Understanding the Basics

Understanding the Basics

Before diving into the intricacies, let's establish a foundation. A 24V starter wiring diagram is a roadmap for the electrical system responsible for initiating your engine's ignition. Picture it as the unsung hero behind every smooth start-up.

Decoding Key Components

Decoding Key Components

Peeling back the layers, this section delves into the essential elements of the diagram. Solenoids, circuits, and voltage requirements take center stage, each playing a crucial role in the symphony of a successful engine start.

The Voltage Conundrum

The Voltage Conundrum

Unpacking the mystery of voltage, this part elucidates why 24 volts are the magic number for your starter system. Discover how this seemingly simple aspect holds the key to a robust and reliable ignition process.

Demystifying Solenoids

Demystifying Solenoids

Solenoids often remain in the shadows, but not anymore. Learn about their pivotal role in the starter circuit and understand how these magnetic wonders seamlessly bridge the gap between the electrical and mechanical components.

The Grounding Chronicles

The Grounding Chronicles

Grounding may sound basic, but its importance cannot be overstated. This section explores why proper grounding is the unsung hero of a stable and efficient 24V starter wiring setup.

Step-by-Step Starting Symphony

Step-by-Step Starting Symphony

Embark on a journey through the sequential steps of the starting process. Uncover the meticulous orchestration of events that culminate in that reassuring purr of your engine coming to life.

Troubleshooting Tips

Troubleshooting Tips

Even the most reliable systems encounter hiccups. Here, we provide a toolbox of diagnostic tips for troubleshooting. Be prepared to tackle common issues and ensure your wiring diagram operates at peak performance.

Safety First in Wiring Practices

Safety First in Wiring Practices

When dealing with electricity, safety is non-negotiable. This segment outlines best practices for working with the 24V starter wiring diagram, emphasizing the importance of a secure and hazard-free environment.

Quality Materials for Optimal Performance

Quality Materials for Optimal Performance

Discover the significance of using top-notch materials in your wiring setup. From cables to connectors, every component contributes to the overall efficiency and longevity of your 24V starter system.

Integration with Vehicle Electronics

Integration with Vehicle Electronics

Concluding our journey, explore how the 24V starter wiring diagram seamlessly integrates with modern vehicle electronics. Stay abreast of advancements and understand the synergy between your starter system and the broader vehicle architecture.

Several Facts that you should know about #EANF#.

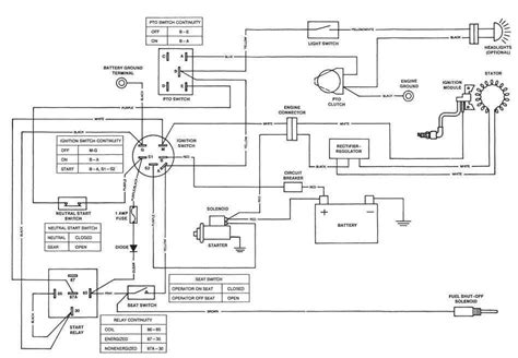
The Intricacies of a 24V Starter Wiring Diagram

Embarking on the journey of understanding a 24V starter wiring diagram is akin to unraveling the intricate web that powers the heart of your vehicle. In the realm of automotive engineering, where every component plays a pivotal role, the wiring diagram stands as a silent conductor orchestrating the symphony of your engine's ignition. Let's delve into the depths of this diagram, exploring its nuances, components, and the profound impact it has on the overall performance of your vehicle.

The Blueprint Unveiled

The Blueprint Unveiled

At the core of your vehicle's electrical system lies the 24V starter wiring diagram, a blueprint that guides the flow of electricity to initiate the engine's startup process. This intricate map encompasses a series of connections, relays, and components, meticulously designed to ensure a seamless transition from dormant to dynamic. Picture it as the architectural plan for the electrical ballet that commences every time you turn the key.

Navigating Voltage Requirements

Navigating Voltage Requirements

As we navigate through the intricacies of the 24V starter wiring diagram, one encounters the fundamental question: why 24 volts? This voltage requirement is not arbitrary but a carefully calculated choice. A higher voltage ensures a robust and efficient ignition, providing the necessary power to kickstart the engine into action. It's a delicate balance that transforms potential energy into kinetic motion, setting the wheels in motion with precision.

The Role of Solenoids

The Role of Solenoids

Enter the solenoids, the unsung heroes of the 24V starter wiring diagram. These electromagnetic wonders act as gatekeepers, controlling the flow of current to the starter motor. As the ignition key turns, the solenoids engage, creating a magnetic field that bridges the gap between the electrical and mechanical realms. It's a choreographed dance that ensures a smooth transition from stationary to dynamic, translating electrical signals into mechanical motion.

Demystifying Sequential Steps

Demystifying Sequential Steps

Engaging the ignition is not a haphazard event but a sequence of meticulously orchestrated steps. The 24V starter wiring diagram demystifies this sequence, breaking down the process into a step-by-step symphony. From the moment the key is turned to the point where the engine purrs to life, each step is a testament to the precision embedded in the wiring diagram's design.

Troubleshooting as an Art

Troubleshooting as an Art

Yet, even the most well-designed systems encounter occasional hiccups. Enter the realm of troubleshooting, where decoding the language of electrical signals becomes an art form. The 24V starter wiring diagram not only guides the initiation process but also provides a roadmap for diagnosing issues. Understanding the nuances of troubleshooting is akin to deciphering a code, and the diagram serves as your trusty cipher key.

The Imperative of Proper Grounding

The Imperative of Proper Grounding

In the realm of electrical systems, grounding is the silent guardian that often goes unnoticed. The 24V starter wiring diagram emphasizes the imperative of proper grounding, highlighting its role in ensuring a stable and secure electrical connection. Like the roots of a tree providing stability, grounding safeguards against electrical anomalies and sets the stage for a reliable ignition process.

Ensuring Safety in Wiring Practices

Ensuring Safety in Wiring Practices

When delving into the realm of electrical systems, safety is paramount. The 24V starter wiring diagram serves not only as a guide to ignition but also as a reminder of the importance of safe wiring practices. From handling tools to understanding electrical currents, this section emphasizes the need for a secure environment, ensuring that every interaction with the wiring diagram is a safe and hazard-free endeavor.

Optimizing Performance with Quality Materials

Optimizing Performance with Quality Materials

The longevity and efficiency of any electrical system hinge on the quality of its components. The 24V starter wiring diagram advocates for the use of top-notch materials, from cables to connectors. Each component contributes to the overall performance, transforming the wiring diagram from a mere plan into a robust and enduring system that stands the test of time.

Harmony in Integration with Vehicle Electronics

Harmony in Integration with Vehicle Electronics

Concluding our exploration, the 24V starter wiring diagram seamlessly integrates with the broader landscape of modern vehicle electronics. This harmonious synergy ensures that the wiring diagram is not an isolated entity but a crucial part of the interconnected web that defines the modern automobile. Understanding this integration sheds light on the evolving landscape of automotive engineering, where electrical and mechanical systems dance in perfect harmony.

In essence, the 24V starter wiring diagram is more than a technical blueprint; it's a narrative of power, precision, and reliability. As we navigate its intricacies, we unravel the story of how a simple turn of the key transforms potential energy into a symphony of motion, setting your vehicle on a journey from stillness to motion. It's an empathic journey, understanding that behind every ignition lies a meticulously designed system, silently working to propel you forward.

From a professional standpoint, the 24V starter wiring diagram is a critical component in the intricate machinery of automotive engineering. Here's a breakdown of its significance:

  1. Precision Engineering: The 24V starter wiring diagram represents a feat of precision engineering, providing a meticulously crafted plan for the initiation of your vehicle's engine.
  2. Optimal Voltage Utilization: The choice of 24 volts is not arbitrary; it is a calculated decision to ensure optimal voltage utilization, translating into a robust and efficient ignition process.
  3. Solenoids as Gatekeepers: Solenoids, acting as gatekeepers in the electrical system, play a crucial role in controlling the flow of current to the starter motor, ensuring a seamless transition from electrical to mechanical motion.
  4. Step-by-Step Sequencing: The wiring diagram unfolds a step-by-step sequence, turning the ignition process into a well-choreographed symphony of events, from key turn to the engine's lively response.
  5. Troubleshooting Expertise: In the realm of troubleshooting, the 24V starter wiring diagram becomes an invaluable tool, offering insights into diagnosing and resolving issues, elevating its role beyond initiation to a diagnostic guide.
  6. Grounding for Stability: Emphasizing the importance of proper grounding, the diagram ensures stability in the electrical connection, safeguarding against potential anomalies and enhancing the reliability of the ignition process.
  7. Commitment to Safety: Safety is paramount in the electrical domain, and the 24V starter wiring diagram reinforces this commitment, outlining best practices to ensure every interaction is conducted in a secure and hazard-free environment.
  8. Quality Materials for Longevity: The recommendation for top-notch materials underscores a commitment to longevity and efficiency, recognizing that the performance of the entire system relies on the quality of its individual components.
  9. Integration with Modern Electronics: Concluding our perspective, the diagram seamlessly integrates with the broader landscape of modern vehicle electronics, acknowledging the evolving synergy between electrical and mechanical systems in contemporary automotive engineering.

Ultimately, the 24V starter wiring diagram is not just a technical drawing; it's a testament to the meticulous planning and engineering expertise that goes into ensuring a reliable and efficient ignition process in today's vehicles.

Another point of view about #EANF#.

Well, dear readers, if you've made it this far into the electrifying world of the 24V starter wiring diagram, consider yourself a certified voltage virtuoso! We've journeyed through the intricate dance of solenoids, decoded the sequential steps of ignition, and even taken troubleshooting to the level of electrical detective work. But before you embark on your newfound career as an automotive electrician, let's wrap things up with a spark of humor and a dash of wiring wisdom.

As you venture back into the realm of road warriors and four-wheeled companions, just remember – the 24V starter wiring diagram might be the unsung hero of your engine's daily drama, but it doesn't demand a standing ovation. No need to give it a round of applause every time you start your car; it's just doing its job, ensuring your vehicle goes from 'resting in the parking lot' to 'rocking on the road.' So, the next time you turn that key and hear the sweet hum of ignition, give a mental nod to the wiring diagram – the true MVP in the shadows, orchestrating your car's morning anthem with unparalleled expertise. Safe travels, voltage aficionados!

Conclusion : Rev Up Success with our 24V Starter Wiring Diagram – Ignite Precision Power!.

Q: What is a 24V starter wiring diagram?

  • A: In simple terms, a 24V starter wiring diagram is a visual guide that outlines the electrical connections and components responsible for initiating the engine in a vehicle. It's like the master plan that ensures your car starts smoothly when you turn the ignition key.

Q: Why is 24 volts used in the starter system?

  • A: The choice of 24 volts is strategic for optimal performance. This voltage provides the necessary power to kickstart the engine efficiently, ensuring a robust ignition process. It's like giving your car the perfect electrical nudge to get it up and running smoothly.

Q: What role do solenoids play in the wiring diagram?

  • A: Solenoids act as electrical gatekeepers in the starter system. They control the flow of current to the starter motor, essentially serving as the bridge between the electrical and mechanical components. Think of them as the conductors orchestrating the symphony of your engine's startup.

Q: Can I troubleshoot issues using the 24V starter wiring diagram?

  • A: Absolutely! The wiring diagram is a handy tool for troubleshooting. It provides insights into the sequence of electrical events during ignition, making it easier to diagnose and resolve issues. It's like having a roadmap to navigate through the electrical landscape of your vehicle.

Q: Is safety emphasized in the 24V starter wiring practices?

  • A: Indeed! Safety is a top priority. The wiring diagram not only guides you through the technical aspects but also emphasizes best practices for handling tools and working with electrical currents. It's like a friendly reminder to ensure every interaction with the wiring system is secure and hazard-free.

Whether you're a budding DIY enthusiast or just curious about the inner workings of your vehicle, these questions and answers provide a glimpse into the world of 24V starter wiring diagrams without delving too deep into the technical jargon.

Question and answer Rev Up Success with our 24V Starter Wiring Diagram – Ignite Precision Power!

Questions & Answer :Wiring Diagram, Automotive Engineering, Electrical System, Ignition Process

Keywords : #EANF#

0 komentar