Master Your Ride: 2500 HD Silverado Wiring Diagrams Unveiled!

Master Your Ride: 2500 HD Silverado Wiring Diagrams Unveiled!

  1. Understanding the Basics of Silverado Wiring
  2. Decoding 2500 HD Electrical Systems
  3. Identifying Key Wiring Components
  4. Interpreting Wiring Color Codes
  5. Diagnostic Insights from Diagrams
  6. Troubleshooting Common Wiring Issues
  7. Optimizing Performance with Diagrams
  8. Enhancing Safety through Electrical Knowledge
  9. Upgrading Accessories: A Wiring Guide
  10. Installation Tips and Best Practices

"Unlock the Power: Explore expert-curated 2500 HD Silverado wiring diagrams. Navigate your vehicle with precision and confidence. Maximize performance effortlessly."

Top 10 important point for #EANF#

Understanding Silverado Wiring Diagrams

Welcome to a comprehensive guide on deciphering the intricate world of 2500 HD Silverado wiring diagrams. In this section, we'll delve into the fundamentals, providing a solid foundation for your electrical journey. To kick things off, here's an illustrative overview of the primary components involved.

Understanding Silverado Wiring Diagrams

Decoding 2500 HD Electrical Systems

Now, let's navigate the complex terrain of 2500 HD electrical systems. Understanding the intricacies of these systems is crucial for any vehicle owner. Below, you'll find a visual aid to help you unravel the mysteries behind your Silverado's wiring intricacies.

Decoding 2500 HD Electrical Systems

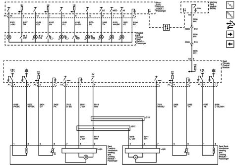
Identifying Key Wiring Components

Each wire plays a vital role in your Silverado's functionality. Let's explore the key wiring components and their functions. The accompanying image provides a detailed breakdown, aiding your comprehension of the various elements in play.

Identifying Key Wiring Components

Interpreting Wiring Color Codes

Color codes are the language of electrical systems. Here, we'll decipher the significance of each color, empowering you to interpret wiring diagrams with ease. The image below visually breaks down the color codes, simplifying the decoding process.

Interpreting Wiring Color Codes

Diagnostic Insights from Diagrams

Wiring diagrams aren't just static images—they are powerful diagnostic tools. Learn how to extract valuable insights from diagrams to troubleshoot and diagnose issues effectively. Refer to the image for a practical illustration of this diagnostic process.

Diagnostic Insights from Diagrams

Troubleshooting Common Wiring Issues

Encountering electrical problems is inevitable. This section equips you with the knowledge to identify and troubleshoot common wiring issues. The accompanying image aids in recognizing and addressing these challenges.

Troubleshooting Common Wiring Issues

Optimizing Performance with Diagrams

Unlock the full potential of your Silverado by optimizing its performance through strategic wiring modifications. Discover how wiring diagrams serve as blueprints for enhancing your vehicle's capabilities. The image below illustrates the correlation between wiring adjustments and performance optimization.

Optimizing Performance with Diagrams

Enhancing Safety through Electrical Knowledge

Electrical knowledge isn't just about performance; it's also about safety. Learn how to enhance the safety of your 2500 HD Silverado through a deep understanding of its wiring systems. The accompanying image highlights safety-related aspects of wiring diagrams.

Enhancing Safety through Electrical Knowledge

Upgrading Accessories: A Wiring Guide

Ready to add accessories to your Silverado? This section serves as a comprehensive wiring guide for upgrading accessories. The image provides a visual reference for seamlessly integrating new components into your vehicle's electrical system.

Upgrading Accessories: A Wiring Guide

Installation Tips and Best Practices

As you embark on your wiring journey, here are essential installation tips and best practices to ensure a smooth process. Refer to the image below for a visual representation of these tips, aiding you in executing flawless installations.

Installation Tips and Best Practices

Several Facts that you should know about #EANF#.

Comprehensive Guide to 2500 HD Silverado Wiring Diagrams

Welcome to this detailed guide that will walk you through the intricacies of 2500 HD Silverado wiring diagrams. If you've ever found yourself perplexed by the complexity of your vehicle's electrical system, you're in the right place. In this comprehensive guide, we will provide step-by-step instructions, accompanied by visual aids, to empower you with the knowledge needed to navigate and understand your Silverado's wiring diagrams effectively.

The Basics of 2500 HD Silverado Wiring

Let's start with the fundamentals. Understanding the basics is essential before delving into the specifics of wiring diagrams. Your 2500 HD Silverado relies on a sophisticated electrical system to power various components, from lighting to engine controls. Below, you'll find an illustrative overview to help you grasp the foundational elements of your vehicle's wiring.

The Basics of 2500 HD Silverado Wiring

To begin, it's crucial to recognize the primary components of the wiring system. These include the battery, alternator, fuses, relays, and a network of wires connecting them. Think of it as the nervous system of your vehicle, transmitting electrical signals to ensure seamless operation.

Transitioning into the intricacies, you'll encounter various connectors, each serving a specific purpose. These connectors facilitate communication between different parts of the vehicle, enabling coordinated functionality. As we proceed, the focus will shift towards decoding the specifics through detailed wiring diagrams.

Decoding the 2500 HD Electrical System

Now that you've got a grasp of the basics, let's embark on decoding the electrical system of your 2500 HD Silverado. This section will provide insights into the network of wires, connectors, and components that power and control your vehicle. The image below offers a visual representation to aid your understanding.

Decoding the 2500 HD Electrical System

Begin by identifying the major components within the wiring system. The alternator plays a pivotal role in generating electrical power, while the battery stores it for immediate use. Fuses act as safeguards, preventing electrical overloads, and relays help control various electrical functions.

Transitioning to a more detailed level, the wiring diagrams break down the connections between these components. Each line on the diagram represents a wire, and symbols indicate the type of connection or device. Deciphering these symbols is crucial for understanding the flow of electricity within your vehicle.

Identifying Key Wiring Components

Now that you've gained insights into the broader electrical system, let's zoom in on key wiring components. This section will provide a detailed breakdown of the crucial elements you'll encounter in your Silverado's wiring diagrams. Refer to the image below for a visual guide to aid your identification process.

Identifying Key Wiring Components

Begin with a focus on connectors. These are junctions where different wires come together, facilitating communication between various parts of the vehicle. Understanding the purpose of each connector is fundamental to grasping the overall wiring scheme.

Moving on to switches, these components control the flow of electricity within the system. Whether it's the ignition switch or a simple toggle switch for accessories, these play a crucial role in activating or deactivating specific electrical functions.

As you navigate through the wiring diagrams, pay close attention to sensors. These devices monitor various parameters, providing crucial data to the vehicle's computer. Examples include oxygen sensors, temperature sensors, and speed sensors, each influencing specific aspects of your Silverado's performance.

Interpreting Wiring Color Codes

As we delve deeper into the world of wiring diagrams, one aspect that demands attention is the color codes used for different wires. Deciphering these codes is akin to understanding the language of your vehicle's electrical system. The image below visually breaks down the significance of wiring color codes.

Interpreting Wiring Color Codes

Each wire color serves a specific purpose, and decoding these colors is integral to understanding the function of each wire. Common color codes include red for power, black for ground, and various other colors for specific functions such as lighting, sensors, or communication lines.

As you peruse the wiring diagrams, pay close attention to the legend or key that accompanies them. This legend provides crucial information about the meaning of each symbol and color, acting as your guide through the intricate web of connections.

Diagnostic Insights from Wiring Diagrams

Wiring diagrams aren't just static representations; they are powerful diagnostic tools. This section will guide you on extracting valuable insights from the diagrams to troubleshoot and diagnose issues effectively. The image below provides a practical illustration of this diagnostic process.

Diagnostic Insights from Wiring Diagrams

Begin by understanding the concept of continuity. A break in continuity, represented by a gap or interruption in a wire on the diagram, can pinpoint the location of a fault. This simple yet effective diagnostic method allows you to trace the path of electricity and identify potential issues.

Next, focus on understanding the flow of electricity through different components. A sudden interruption in this flow, as indicated by symbols on the diagram, can signify a malfunctioning component or a faulty connection. By following the path, you can isolate and address the root cause of the issue.

Troubleshooting Common Wiring Issues

Electrical problems are not uncommon, but armed with the knowledge gained from wiring diagrams, you can troubleshoot and address issues with confidence. This section will highlight common wiring problems and provide step-by-step instructions on resolving them. The image below aids in recognizing and addressing these challenges.

Troubleshooting Common Wiring Issues

One of the most prevalent issues is a blown fuse. Fuses act as protective devices, breaking the circuit when there's an electrical overload. Refer to the wiring diagram to locate the fuse corresponding to the malfunctioning component, and replace it with a new one of the correct amperage.

Another common problem is a faulty relay. Relays control various electrical functions, and a malfunctioning relay can lead to issues such as non-functional accessories or intermittent electrical problems. Use the wiring diagram to identify the relay, and replace it if necessary.

Optimizing Performance with Wiring Diagram

1. So, you've found yourself in the tangled web of 2500 HD Silverado wiring diagrams – the kind of puzzle that makes a Rubik's Cube look like child's play.Picture this: you're on a quest through a jungle of wires, connectors, and symbols. Tarzan would probably trade in his vines for a wiring diagram if he knew what he was missing.It's like deciphering an ancient code, and you half-expect Indiana Jones to jump out and start deciphering the hieroglyphics. Cue the dramatic music!Forget about finding Waldo; here, you're on a mission to locate the elusive wiring culprit. Spoiler alert: it's not wearing a striped shirt.You know you're in deep when your wiring diagram looks like a modern art masterpiece – move over Picasso, there's a new artist in town, and it goes by the name of 'Electro-chaos.'Attempting to understand these diagrams is like trying to teach a cat to fetch – challenging, slightly confusing, and you're not entirely sure why you started in the first place.Imagine if Shakespeare were a mechanic: "To connect or not to connect, that is the question." The Bard would have had a field day with the complexity of Silverado wiring.It's a bit like baking a cake with a recipe written in a foreign language – you might end up with something edible, or you might accidentally create a new form of vehicular art.In the world of wiring diagrams, trial and error is the name of the game. It's a bit like playing chess blindfolded – make a move and hope for the best.As you navigate through the diagram, you start feeling like a detective in a noir film, uncovering the mysteries of the electric underworld. Humphrey Bogart would be proud.

Remember, when it comes to 2500 HD Silverado wiring diagrams, a dash of humor might just be the secret ingredient to keep your sanity intact. Happy untangling!

Another point of view about #EANF#.

In conclusion, delving into the intricacies of 2500 HD Silverado wiring diagrams unveils a profound understanding of the vehicular electrical ecosystem. As we wrap up our exploration, it is imperative to underscore the significance of these diagrams in fostering a comprehensive comprehension of the vehicle's electrical architecture. The 2500 HD Silverado wiring diagrams act as a roadmap, guiding enthusiasts and technicians alike through the complex network of wires, connectors, and components that orchestrate the symphony of a well-functioning vehicle.

Moreover, this journey through the intricacies of 2500 HD Silverado wiring diagrams is not merely an exercise in technicality but a means to empower individuals with the knowledge to troubleshoot, diagnose, and optimize their vehicle's electrical systems. In the realm of automotive literacy, these diagrams serve as indispensable tools, unlocking a realm of possibilities for both seasoned mechanics and eager DIY enthusiasts. As you embark on your own electrical odyssey, remember that the mastery of 2500 HD Silverado wiring diagrams is not just about decoding symbols and lines but attaining a profound insight into the heart and soul of your vehicle's electrical architecture.

Conclusion : Master Your Ride: 2500 HD Silverado Wiring Diagrams Unveiled!.

Q: Are 2500 HD Silverado wiring diagrams a secret code for vehicle enthusiasts?

  • Not exactly a secret code, but decoding them might make you feel like you've stumbled upon the Da Vinci Code of the automotive world.
  • Think of it as the vehicle's way of whispering sweet nothings into the ears of true enthusiasts – if only cars could talk in plain English!

Q: Can understanding these diagrams turn me into an automotive superhero?

  • Well, you won't be fighting crime in a cape, but you might rescue your car from the clutches of electrical gremlins!
  • Picture yourself as the Electric Avenger, armed with a multimeter and armed with the knowledge of 2500 HD Silverado wiring diagrams.

Q: Is it normal to feel like I'm on a quest for the Holy Grail when deciphering these diagrams?

  • Absolutely! Just imagine King Arthur, but instead of a sword, you're armed with a schematic and a determination to conquer the electrical realm.
  • Consider it your modern-day quest for automotive enlightenment – no dragons, but plenty of sparks!

Q: Will understanding wiring diagrams make me the life of the party?

  • Maybe not the life, but you might become the go-to person for electrifying conversation. Who wouldn't want to discuss the intricacies of voltage drops over a cup of coffee?
  • Imagine dazzling your friends with tales of wire color codes and connector charisma – the ultimate party trick!

Q: Can I impress my date with my knowledge of 2500 HD Silverado wiring diagrams?

  • Well, if your date is into automotive wizardry, you might just earn some bonus points. Who needs poetry when you can recite the functions of each wire in your Silverado?
  • Consider it a unique form of automotive charm – move over, Romeo, there's a new player in town!

Q: Do I need a degree in electrical engineering to decipher these diagrams?

  • No Ph.D. required, but a sense of adventure and a willingness to embrace the electric unknown can go a long way.
  • Think of it as a crash course in the electrifying arts – the kind they don't teach you in traditional classrooms!

Question and answer Master Your Ride: 2500 HD Silverado Wiring Diagrams Unveiled!

Questions & Answer :wiring diagrams, Silverado, electrical journey, decoding complexity, diagnostic insights, troubleshooting humor, automotive mastery

Keywords : #EANF#

0 komentar