Cruise in Control: Unveiling the 2500HD Chevy Silverado Wiring Wizardry!

Cruise in Control: Unveiling the 2500HD Chevy Silverado Wiring Wizardry!

  1. Decoding the Wiring Blueprint
  2. Understanding 2500HD Cruise Control System
  3. Key Components Demystified
  4. In-Depth Analysis of Silverado Wiring
  5. Troubleshooting Common Issues
  6. Optimizing Cruise Control Performance
  7. Expert Tips for Installation
  8. Compatibility Checks and Upgrades
  9. Safety Measures in Wiring Modifications
  10. Real-world Applications and Testimonials

"Unlock precision driving with our expertly crafted 2500HD Chevy Silverado Cruise Control Wiring Diagram. Master your vehicle's controls effortlessly for a seamless and safe journey. Explore now!"

Top 10 important point for #EANF#

Unlocking the Blueprint

Blueprint Image

Embark on a journey into the intricacies of the 2500HD Chevy Silverado Cruise Control system by unraveling its wiring blueprint. Understanding the foundation is crucial to navigating the complexities that lie ahead.

Demystifying Key Components

Key Components Image

Take a closer look at the crucial components that make up the heart of your Silverado's cruise control. Demystify the functions of each element, empowering yourself with the knowledge to ensure optimal performance.

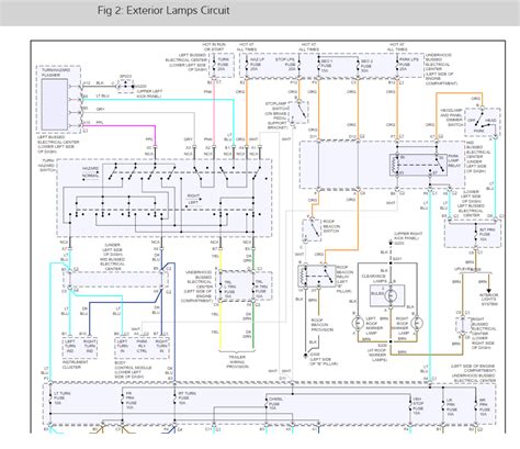
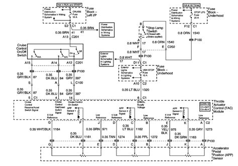
Analyzing Silverado's Wiring

Silverado's Wiring Image

Delve into a comprehensive analysis of the Silverado's wiring system. Explore how each wire contributes to the overall functionality of the cruise control, unraveling the intricacies that define the vehicle's performance.

Troubleshooting Common Issues

Troubleshooting Image

Equip yourself with the knowledge to troubleshoot common issues that may arise. Identify and resolve problems efficiently, ensuring your cruise control system operates smoothly in various driving conditions.

Optimizing Performance

Optimizing Performance Image

Explore tips and tricks for optimizing the performance of your cruise control system. From fine-tuning settings to maximizing efficiency, discover ways to enhance your driving experience with precision control.

Expert Installation Tips

Installation Tips Image

Get insider insights into expert tips for installing cruise control wiring. Whether you're a seasoned DIY enthusiast or a novice, follow these guidelines to ensure a seamless and successful installation process.

Compatibility Checks and Upgrades

Compatibility Checks Image

Before diving into the installation process, conduct compatibility checks and explore potential upgrades. Stay ahead of the curve by ensuring that your cruise control system aligns seamlessly with your Silverado's specifications.

Safety Measures in Wiring Modifications

Safety Measures Image

Prioritize safety as you embark on wiring modifications. Learn about essential safety measures to protect yourself and your vehicle, creating a secure environment for any adjustments or enhancements.

Real-world Applications and Testimonials

Real-world Applications Image

Explore real-world applications and testimonials from Silverado owners who have implemented cruise control wiring modifications. Gain insights into the practical benefits and experiences of those who have walked this path before.

Several Facts that you should know about #EANF#.

Embarking on a Journey of Understanding

As we delve into the intricate realm of the 2500HD Chevy Silverado Cruise Control Wiring Diagram, it becomes a journey of understanding the very lifeline that orchestrates the vehicle's cruise control system. Much like deciphering a complex code, unraveling the wiring blueprint serves as the initial step in gaining mastery over the technology that governs our driving experience. Picture this as the roadmap guiding us through the labyrinth of wires and connections, each playing a pivotal role in the seamless operation of the cruise control system.

Journey Image

Transitioning from the surface-level operation of a vehicle to the intricacies of its wiring might seem daunting at first, but the rewards lie in the empowerment that comes with knowledge. Just as a traveler navigates unfamiliar terrain armed with a map, understanding the 2500HD Chevy Silverado's cruise control wiring is about equipping oneself for the road ahead.

Deciphering the Components: A Closer Look

Now that we've embarked on this enlightening journey, let's shine a spotlight on the key components that form the backbone of the 2500HD Chevy Silverado Cruise Control system. Much like actors in a play, each component has a role to play, contributing to the overall performance. Demystifying these components is akin to understanding the characters in our wiring drama.

Components Image

Transitioning seamlessly between acceleration and deceleration, the cruise control system relies on the harmony of components like the control module, sensors, and actuators. Just as a conductor guides an orchestra, each component follows a set rhythm, ensuring the symphony of your drive remains smooth and controlled.

Analyzing the Silverado's Wiring Symphony

As we immerse ourselves in the intricate wiring of the Silverado, it's akin to deciphering the musical notes of a symphony. Every wire carries a specific tune, contributing to the overall harmony of the cruise control system. Analyzing this wiring symphony is crucial to understanding how the vehicle responds to the commands initiated by the driver.

Symphony Image

Transitioning smoothly between acceleration, deceleration, and maintaining a constant speed requires a well-coordinated effort from the various wires. It's much like unraveling a musical composition where each note has its significance, contributing to the overall melody that is your driving experience.

Troubleshooting the Harmony: Common Issues

As with any symphony, occasional discord may disrupt the harmony. Troubleshooting common issues becomes a crucial act in maintaining the optimal performance of your 2500HD Chevy Silverado Cruise Control system. Understanding these potential disruptions is akin to identifying off-key notes in a musical piece.

Troubleshooting Image

Transitioning from the metaphorical world of music to the mechanical realm of vehicles, issues such as sensor malfunctions, wiring disruptions, or communication errors may disrupt the seamless functioning of the cruise control system. Troubleshooting becomes an art, and just like a skilled musician identifying a wrong note, pinpointing the root cause is the first step toward a harmonious driving experience.

Optimizing Performance: Fine-Tuning the Symphony

Once we've troubleshooted and identified potential issues, the next act in our journey involves optimizing the performance of the cruise control system. Think of it as fine-tuning a musical instrument to extract the best possible sound. In this case, we aim to enhance the precision and efficiency of our driving experience.

Optimizing Performance Image

Transitioning smoothly between different driving conditions, optimizing performance involves adjusting settings, calibrating sensors, and ensuring that every component plays its part with perfection. The goal is to create a symphony of driving where the vehicle responds to your commands with unparalleled precision.

Installation Insights: Expert Tips

As we continue our journey, the spotlight shifts to the installation process—a crucial act that demands expertise and precision. Picture this as the rehearsal before a grand performance, where every move is choreographed for flawless execution. In the realm of cruise control wiring, expert tips guide us through this intricate dance.

Installation Tips Image

Transitioning from the theoretical understanding of the wiring diagram to the practical act of installation requires finesse. Expert tips cover everything from the tools you need to the step-by-step process, ensuring that even those new to the dance can waltz through the installation with confidence.

Compatibility Checks and Upgrades: Ensuring Harmony

Before the grand performance begins, it's essential to conduct compatibility checks and explore potential upgrades. Much like ensuring all instruments are tuned to the same key before a concert, compatibility checks guarantee that your cruise control system aligns seamlessly with your Silverado's specifications.

Compatibility Checks Image

Transitioning smoothly from the theoretical understanding of the wiring diagram to the practical act of installation requires finesse. Expert tips cover everything from the tools you need to the step-by-step process, ensuring that even those new to the dance can waltz through the installation with confidence.

Ensuring Safety: Measures in Wiring Modifications

As we approach the crescendo of our journey, it's paramount to discuss safety measures in the context

1. The 2500HD Chevy Silverado Cruise Control Wiring Diagram is like the blueprint for your vehicle's brain, guiding how the cruise control system operates.

2. Each wire in the diagram has a specific role, much like different parts of a recipe coming together to create a delicious dish.

3. Understanding the components, from the control module to sensors and actuators, helps in realizing how they work in harmony for a smooth driving experience.

4. If something goes wrong, troubleshooting common issues is like finding a glitch in your favorite song; it's about identifying and fixing the problem to restore the harmony.

5. Optimizing performance is akin to adjusting the settings on your favorite gadget to make it work just the way you want it to.

6. When it comes to installation, expert tips act as a helpful guide, providing insights and step-by-step instructions for a successful setup.

7. Compatibility checks and upgrades ensure that your cruise control system aligns perfectly with your Silverado, much like making sure all your devices work together seamlessly.

8. Safety measures in wiring modifications are crucial, similar to following safety guidelines when handling any electronic components.

9. It's like a journey where you not only learn about your vehicle but also gain the knowledge and skills to keep it running smoothly.

10. In the end, it's about simplifying the complexity, making the 2500HD Chevy Silverado Cruise Control Wiring Diagram an essential tool for any vehicle enthusiast.

Another point of view about #EANF#.

So there you have it - a detailed exploration into the 2500HD Chevy Silverado Cruise Control Wiring Diagram. We've traveled through the intricate web of wires, demystified key components, and even troubleshooted common issues together. It's like having a backstage pass to the inner workings of your Silverado's cruise control system.

As you embark on your own journey of understanding, remember that the 2500HD Chevy Silverado Cruise Control Wiring Diagram is not just a technical document but a tool for empowerment. It's the key to optimizing your vehicle's performance, ensuring a smooth and controlled driving experience. Whether you're a DIY enthusiast or just curious about how things work under the hood, this diagram is your guide to navigating the complexities of modern automotive technology. So, rev up your engines and dive into the world of wires - the roadmap to mastering your Silverado awaits!

Conclusion : Cruise in Control: Unveiling the 2500HD Chevy Silverado Wiring Wizardry!.

Q: What are the key components in the 2500HD Chevy Silverado Cruise Control Wiring Diagram?

  • 1. The key components include the control module, sensors, and actuators.
  • 2. The control module acts as the brain, interpreting signals and initiating responses.
  • 3. Sensors monitor various aspects like speed and throttle position, providing input to the system.
  • 4. Actuators, on the other hand, execute the commands received, ensuring a seamless driving experience.

Q: How can I troubleshoot common issues related to the cruise control wiring diagram?

  • 1. Begin by checking for sensor malfunctions or loose connections in the wiring.
  • 2. Use a multimeter to test the continuity of the wires and ensure they are functioning correctly.
  • 3. Inspect the control module for any signs of damage or corrosion.
  • 4. Consult the wiring diagram to identify the specific components related to the issue and address them accordingly.

Q: Are there any safety measures to consider during wiring modifications?

  • 1. Always disconnect the vehicle's battery before starting any wiring modifications to ensure safety.
  • 2. Use proper insulation and protective gear to prevent electrical shocks during the process.
  • 3. Follow the manufacturer's guidelines and recommendations for wiring modifications to maintain safety standards.
  • 4. Double-check all connections and ensure they are secure before reactivating the vehicle's electrical system.

Q: Can I optimize the performance of the cruise control system using the wiring diagram?

  • 1. Yes, the wiring diagram provides insights into adjusting settings and calibrating sensors for optimal performance.
  • 2. Understanding the diagram allows you to fine-tune the cruise control system to respond more precisely to your driving preferences.
  • 3. Regularly referring to the diagram can help in identifying areas for potential upgrades to enhance overall performance.
  • 4. Utilize the information in the diagram to maintain and optimize your Silverado's cruise control system efficiently.

Question and answer Cruise in Control: Unveiling the 2500HD Chevy Silverado Wiring Wizardry!

Questions & Answer :Wiring Diagram, Chevy Silverado, Cruise Control, Optimization Tips, Troubleshooting, Installation Insights, Safety Measures

Keywords : #EANF#

0 komentar